V letu 2023 so električni motorni sistemi porabili več kot polovico svetovne elektrike - in zato ima vsak pravi prihranek zelo konkreten začetek: zanesljiv pogon, ki dela natančno, tiho in brez presenečenj! Jaz ti tukaj ponujam ravno to - Motor z reduktorjem 12V 60W 220RPM, narejen za industrijo, ne za igračke.
Benjamin Franklin je poudarjal, da je prihranjen denar zaslužen denar - pri pogonih to pomeni manj zastojev, manj reklamacij in manj živcev, ker se mehanika obnaša predvidljivo.
To je industrijska kakovost, ki je zgrajena, da zdrži. Ne iščem lepih besed, iščem realen rezultat - stabilno delovanje, manj obrabe in manj servisov.
To je tip pogona, ki ga vzameš iz škatle, priklopiš, nastaviš smer in dela! Če si v proizvodnji, veš da je to zlata vredno.
Glavna prednost pred mnogimi generičnimi rešitvami: reduktor z prenosom preko polža. To pomeni tudi zaklep - ko ugasneš napetost, se pogon ne premika. Brez zdrsa, brez počasnega vračanja, brez nevarnega popuščanja teže!
Če želiš lokalno rešitev v okolici Ljubljana, kjer ti nekdo tudi pomaga izbrati pravo napetost (12V ali 24V) in pravo uporabo, je to točka, kjer se začne ugodno in profesionalno.
Ta motor z reduktorjem se uporablja praktično povsod, kjer rabiš zanesljiv navor, stabilno hitrost in možnost vrtenja v obe smeri:
Največja skupina kupcev so običajno vzdrževalci in graditelji strojev v proizvodnji - ljudje, ki morajo hitro rešiti pogon na transporterju, podajalniku, mešalniku ali vratih in si ne morejo privoščiti, da se mehanika po izklopu premika sama od sebe.
| Lastnost | Motor z reduktorjem 12V 60W 220RPM profesional industrijski | Tipičen cenejši generičen motor |
|---|---|---|
| Redukcija | Vgrajena, stabilna, za naprej in nazaj | Osnovna, pogosto manj natančna |
| Zaklep po izklopu | Polžasti prenos - samodejni zaklep, brez premikanja | Pogosto brez zaklepa - možen zdrs ali povratni tek |
| Moč in hitrost | 60W, 220RPM - učinkovita regulacija hitrosti | Pogosto ni stabilne hitrosti pod obremenitvijo |
| Materiali in zaščita | Aluminum, Copper, Iron + Baking Paint | Pogosto tanjši materiali, slabša zaščita proti rji |
| Uporabnost v industriji | Primerno za pakiranje, skladišča, vrata, transporterje, stroje | Pogosto bolj za lažje, občasne obremenitve |
| Čas do uporabe | Skoraj sestavljen, jasen priklop rdeča-črna | Pogosto več improvizacije in dodatnih delov |
Motor je prišel skoraj že sestavljen. Priklop rdeče in črne žice je bil jasen, smer vrtenja sva nastavila v minuti. Najbolj pa mi pomeni, da se po izklopu napetosti pogon ni premaknil niti za milimeter - končno mir pri vratih in podajalniku. To je industrija!
Točno take povratne informacije želim slišati tudi od tebe. Če želiš ugodno rešitev, ki deluje profesionalno, mi piši - pri Svet črnil ti pomagam izbrati pravo izvedbo in uporabo v tvojem stroju.
Ko elektrika postaja dražja in poraba raste, je pametno razmišljati o učinkovitosti. Popularni mediji redno poročajo, da svetovna poraba elektrike narašča, delež obnovljivih virov pa se sicer povečuje - a pritisk na omrežja ostaja. V praksi to pomeni: vsaka optimizacija pogona, vsaka stabilna hitrost in vsak preprečen zdrs ima direkten vpliv na stroške in zanesljivost!
Da, tudi to se dogaja. Ta pogon je zaradi praktičnosti in moči lahko idealno darilo za sodelavca ali prijatelja, ki gradi stroje, dela avtomatizacijo ali nadgrajuje opremo - Christmas, Thanksgiving ali housewarming, brez smešnih daril, samo uporabna tehnika!
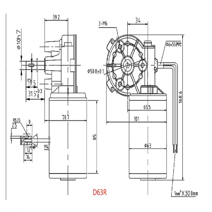
| Model | D63R-1260-220R / D63R-2460-220R |
| Voltage | 12VDC / 24VDC |
| Power | 60W |
| Speed | 220RPM |
| Material | Aluminum, Copper, Iron |
| Color | Black, Silver |
| Process | Baking Paint |
| Motor Connection | Electric Wire |
| Working Temperature Range | -30 do 60 C / -22 do 140 F |
| Motor Diameter | 63mm / 2.48in |
| Package Size | 221210cm / 8.664.723.94in |
| Net Weight | 1.3kg / 2.87lbs |
| Gross Weight | 1.5kg / 3.31lbs |
| Posebnost | Polžasti prenos z zaklepom - po izklopu se ne premika |

DC motor z reduktorjem 5-100 RPM 3V-24V